トップ工業 ソケットレンチ用ソケット(差込角19.0mm) 【品番:S-624】

トップ工業 ソケットレンチ用ソケット(差込角19.0mm) 【品番:S-624】
トップ工業 ソケットレンチ用ソケット(差込角19.0mm) 【品番:S-624】
トップ工業 ソケットレンチ用ソケット(差込角19.0mm) 【品番:S-624】
トップ工業 ソケットレンチ用ソケット(差込角19.0mm) 【品番:S-624】

トップ工業 ソケットレンチ用ソケット(差込角19.0mm) 【品番:S-624】

定価 ¥1,749
/
  • 取り寄せ

-

この商品について問合せ→
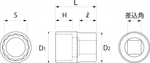
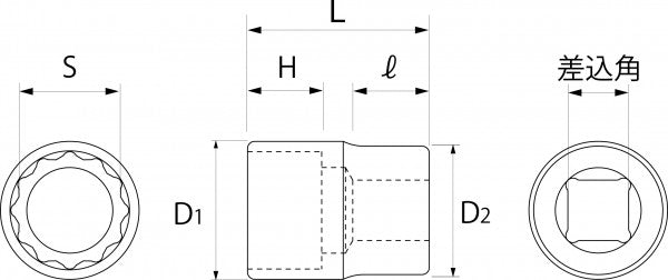
●差込角S(mm): 19.0(3/4″)
●対辺寸法S(mm): 24
●L(mm): 50
●H(mm): 16
●D1(mm): 34.8
●D2(mm): 34
●重量(g): 200
●材質: SCM435
●ℓ(mm): 24

■12角サーフェイス(角丸): 12角サーフェイスタイプ(面接触)のためボルト・ナットの角をナメにくく、12角でボルト・ナットに素早く入ります。作業性を重視したタイプです。

【メーカー名】トップ工業(株)
【メーカー品番】S-624