トップ工業 ソケットレンチ用ソケット(差込角12.7mm) 【品番:S-430】

トップ工業 ソケットレンチ用ソケット(差込角12.7mm) 【品番:S-430】
トップ工業 ソケットレンチ用ソケット(差込角12.7mm) 【品番:S-430】
トップ工業 ソケットレンチ用ソケット(差込角12.7mm) 【品番:S-430】
トップ工業 ソケットレンチ用ソケット(差込角12.7mm) 【品番:S-430】

トップ工業 ソケットレンチ用ソケット(差込角12.7mm) 【品番:S-430】

定価 ¥1,221
/
  • 取り寄せ

-

この商品について問合せ→
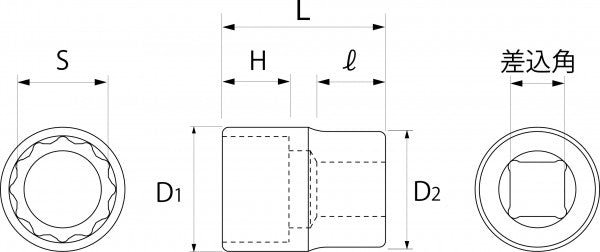
●差込角S(mm): 12.7(1/2″)
●対辺寸法S(mm): 30
●L(mm): 46
●H(mm): 22
●D1(mm): 40
●D2(mm): 36
●重量(g): 222
●材質: SCM435
●ℓ(mm): 16

■12角サーフェイス(角丸): 12角サーフェイスタイプ(面接触)のためボルト・ナットの角をナメにくく、12角でボルト・ナットに素早く入ります。作業性を重視したタイプです。

【メーカー名】トップ工業(株)
【メーカー品番】S-430